服務支持
產品中心
聯系我們
深圳市東么川伺服控制技術有限公司
電話:13316379101
郵箱:1355229533@qq.com
地址:深圳市龍華區民治街道樟坑社區青創城A棟B502
兩相步進電機驅動器FD556用戶使用說明
發布時間:2020-06-08 06:25:14
感謝您使用步進電機驅動器FD556本產品,本使用操作手冊提供步進驅動器使用相關信息。內容包括。
l 驅動器電氣機械特性
l 使用環境要求
l 接口相關定義說明
l 接線方法與要求
l 參數學習與整定
本使用操作手冊適合下列使用者參考
l 安裝或配線人員
l 試轉調機人員
l 維護或檢查人員
在使用之前,請您仔細詳讀本手冊以確保使用上的正確。此外,請將它妥善放置在安全的地點以便隨時查閱。下列在您尚未讀完本手冊時,請務必遵守事項:
l 安裝的環境必須沒有水氣,腐蝕性氣體及可燃性氣體
l 接線時禁止將電源接至電機輸出端子,一旦接錯時將損壞驅動器
l 在通電時,請勿拆解驅動器、電機或更改配線
l 在通電運作前,請確定緊急停機裝置是否隨時啟動
l 在通電運作時,請勿接觸散熱片,以免燙傷
警告:
步進電機驅動器用于通用工業設備。要注意下列事項:
(1).為了確保正確操作,在安裝、接線和操作之前必須通讀操作說明書。
(2).勿改造產品。
(3).當在下列情況下使用本產品時,應該采取有關操作、維護和管理的相關措施。在這種情況下,請與我們聯系。
① 用于與生命相關的醫療器械。
② 用于可能造成人身安全的設備,例如:火車或升降機。
③ 用于可能造成社會影響的計算機系統
④ 用于有關對人身安全或對公共設施有影響的其他設備。
(4).對用于易受震動的環境,例如:交通工具上操作,請咨詢我們。
(5).如未按上述要求操作,造成直接或間接損失,我司將不承擔相關責任。
如果您在使用上仍有問題,請咨詢本公司客服技術支持中心
l 驅動器電氣機械特性
l 使用環境要求
l 接口相關定義說明
l 接線方法與要求
l 參數學習與整定
本使用操作手冊適合下列使用者參考
l 安裝或配線人員
l 試轉調機人員
l 維護或檢查人員
在使用之前,請您仔細詳讀本手冊以確保使用上的正確。此外,請將它妥善放置在安全的地點以便隨時查閱。下列在您尚未讀完本手冊時,請務必遵守事項:
l 安裝的環境必須沒有水氣,腐蝕性氣體及可燃性氣體
l 接線時禁止將電源接至電機輸出端子,一旦接錯時將損壞驅動器
l 在通電時,請勿拆解驅動器、電機或更改配線
l 在通電運作前,請確定緊急停機裝置是否隨時啟動
l 在通電運作時,請勿接觸散熱片,以免燙傷
警告:
步進電機驅動器用于通用工業設備。要注意下列事項:
(1).為了確保正確操作,在安裝、接線和操作之前必須通讀操作說明書。
(2).勿改造產品。
(3).當在下列情況下使用本產品時,應該采取有關操作、維護和管理的相關措施。在這種情況下,請與我們聯系。
① 用于與生命相關的醫療器械。
② 用于可能造成人身安全的設備,例如:火車或升降機。
③ 用于可能造成社會影響的計算機系統
④ 用于有關對人身安全或對公共設施有影響的其他設備。
(4).對用于易受震動的環境,例如:交通工具上操作,請咨詢我們。
(5).如未按上述要求操作,造成直接或間接損失,我司將不承擔相關責任。
如果您在使用上仍有問題,請咨詢本公司客服技術支持中心
一 產品簡介
1,概述FD556采用最新 32位處理器為運算核心,用戶可以設置 65535 內的任意細分以及額定電流內的任意電流值,能夠滿足大多數場合的應用需要。由于采用內置微細分技術,即使在低細分的條件下,也能夠達到高細分的效果,低中高速運行都很平穩,噪音超小。驅動器具有電機參數學習及控制參數自動整定,及運行過程微調自適應參數的變化功能,能夠針對不同電機自動生成最優運行參數,最大限度發揮電機的性能。
2特點
●超低振動噪聲
●內置超高細分
●參數理論計算及學習校正與快速自整定技術
●智能電流控制,提高動態Q值,使電機發熱大為降低
●改進型PWM控制算法及整機低功耗技術使電機及驅動器發熱量更小。
●靜止時電流自動減半,半流延時軟件可設. 全流切換到半流無明顯的噪音與振動。
●可驅動 4,6,8 線兩相步進電機
●輸入方式支持脈沖方向,雙脈沖,編碼器跟隨
●光隔離差分信號輸入
●脈沖響應頻率最高可達 300KHz
●電流設定方便
●細分設定范圍為 1-65535
●具有過壓、欠壓、短路等保護功能
●智能診錯功能,方便診斷各種錯誤
3應用領域
適合各種中小型自動化設備和儀器,例如:電子加工與檢測、半導體封裝、雕刻機、打標機、切割機、激光照排、繪圖儀、數控機床、自動裝配設備等。在用戶期望小噪聲、高速度的設備中應用效果特佳。
二,電氣,機械,環境指標
1,電氣特性
| 說明 | 最小值 | 典型值 | 最大值 | 單位 |
| 輸出電流 | 5.6 | A | ||
| 輸入電源電壓 | 18 | 36 | 50 | V |
| 控制信號輸入電流 | 5 | 8 | 12 | mA |
| 步進脈沖頻率 | 250 | Khz |
2,工作環境
| 工作環境 |
場合:無腐蝕性,易燃,易爆,導電的氣體,液體,粉塵 溫度:-10-55 ℃(無凍霜) 濕度:小于90%RH(不結露) 海拔:小于1000m 振動:小于0.5G, 10hz—60hz(非連續運行) 防護等級:IP21 |
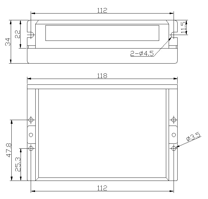
3,安裝尺寸

安裝尺寸圖
4加強散熱方式
1)驅動器的可靠工作溫度通常在 60℃以內,電機工作溫度為80℃以內;
2)建議使用時選擇自動半流方式,馬達停止時電流自動減一半,以減少電機和驅動器的發熱;
3)安裝驅動器時請采用豎著側面安裝,使散熱齒形成較強的空氣對流;必要時機內靠近驅動
器處安裝風扇,強制散熱,保證驅動器在可靠工作溫度范圍內工作。
三,接口功能說明
1,控制信號接口
| 名稱 | 說明 |
| PUL+ |
脈沖控制信號:脈沖上升沿有效;PUL-高電平時4~5V,低電平時 0~0.5V。 為了可靠響應脈沖信號,脈沖寬度應大于 1.2μs。如采用+12V 或+24V 時需串電阻。 |
| PUL- | |
| DIR+ |
當輸入方式為脈沖+方向時,作方向信號:高/低電平信號,為保證電機可靠換向,方向信號應先于脈沖信號至少 5μs 建立。電機的初始運行方向與電機的接線有關,互換任一相繞組 (如A+、A-交換)可以改變電機初始運行的方向,DIR-高電平時4~5V,低電平時0~0.5V。如采用+12V 或+24V 時需串電阻。 當輸入方式為雙脈沖時,作反向脈沖信號:其特性 PUL+,PUL-相同 當輸入方式為編碼器跟隨時,作B相脈沖信號:其特性 PUL+,PUL-相同 |
| DIR- | |
| ENA+ |
使能信號:此輸入信號用于使能或禁止。ENA+ 接+5V,ENA-接低電平(或內部 光耦導通)時,驅動器將切斷電機各相的電流使電機處于自由狀態,此時步進 脈沖不被響應。當不需用此功能時,使能信號端懸空即可。 |
| ENA- |
| 名稱 | 說明 |
| V- | 輸入電源負 |
| V+ | 輸入電源正,輸入電壓為18-50V |
| A+ | 電機A相繞組正端 |
| A- | 電機A相繞組負端 |
| B+ | 電機B相繞組正端 |
| B- | 電機B相繞組負端 |
3,通信端口
FD556通過RS232接口與計算機通信實現設置用戶細分數及改變脈沖輸入方式,半流時間等參數的設定,FD556必須采用專用通信電纜與計算機進行通信,自行接線極易造成因接線錯誤引發燒毀通信接口電路。驅動器出廠參數能滿足大部分用戶要求,專用通信電纜作為備選件供用戶選購,對有需要更改參數的用戶可與驅動器廠商聯系。
4,狀態指示
綠色 LED 為電源指示燈,當驅動器接通電源時,該 LED 常亮;當驅動器切斷電源時,該
LED 熄滅。紅色 LED 為故障指示燈,當出現故障時,該指示燈根據故障類型,以0.2秒循環閃爍設定的次數.然后以1秒間隔繼續重復以0.2秒循環閃爍設定的次數。直到故障被用戶清除,紅色 LED常滅。
故障類型對應的閃爍次數如下表:
| 閃爍次數 | 故障類型 |
| 1 | 過電流 |
| 2 | 電源電壓過低 |
| 3 | 電源電壓過高 |
| 4 | 相位出錯 |
| 5 | 參數調諧與學習識別過程中出錯 |
| 其它 | 硬件故障,具體類型供廠商識別 |
四, 控制信號接線
1, 控制信號采用單端接線方式時,接線圖如下圖所示:

單端共陽接線方式(控制器集電極開路輸出)
注意:VCC為5V時,R短路;
VCC為12V時,R為1K,大于0.125W電阻;
VCC為24V時,R為2K,大于0.125W電阻;
電阻必須接在控制信號端。
2,控制信號采用差分接線方式時,接線圖如下圖所示:

差分接線方式(控制器差分輸出)
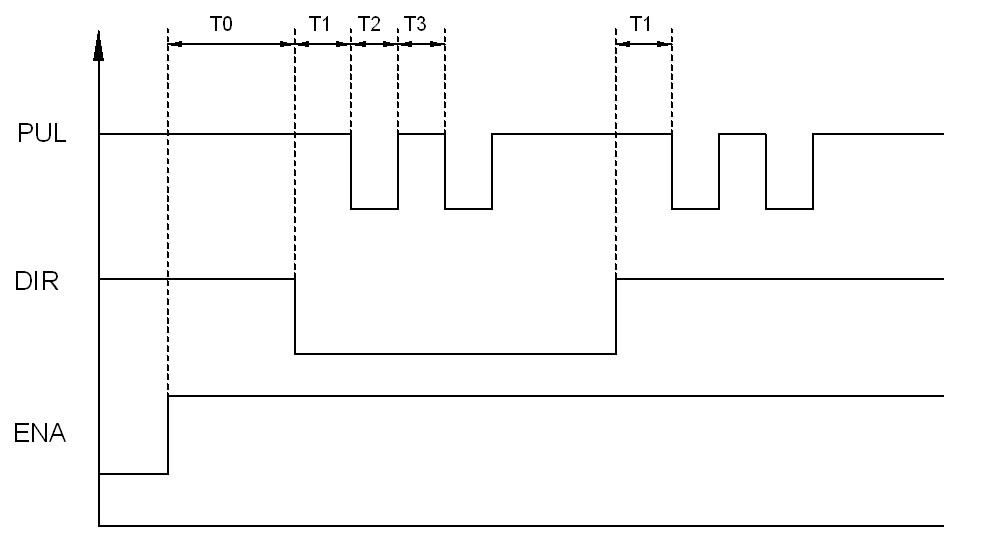
3, 控制信號時序圖

控制信號時序圖
1)T0: ENA(使能信號)應提前 DIR 至少 5mS,確定為高。通常ENA+和 ENA-懸空。
2)T1:DIR 至少提前PUL 下降沿 3μs。
3)T2:脈沖寬度至少不小于 1.0μs。
4)T3:低電平寬度不小于于 1.0μs。
4,接線要求
1)為了防止驅動器受干擾,建議控制信號采用屏蔽電纜線,并且屏蔽層與地線短接,除特殊
要求外,控制信號電纜的屏蔽線單端接地:屏蔽線的上位機一端接地,屏蔽線的驅動器一
端懸空。同一機器內只允許在同一點接地,如果不是真實接地線,可能干擾嚴重,此時屏
蔽層不接。
2)脈沖和方向信號線與電機線不允許并排包扎在一起,最好分開至少 10cm 以上,否則電機
噪聲容易干擾脈沖方向信號引起電機定位不準,系統不穩定等故障。
3)如果一個電源供多臺驅動器,應在電源處采取并聯連接,不允許先到一臺再到另一臺鏈狀
式連接。
4)嚴禁帶電拔插驅動器強電端子,帶電的電機停止時仍有大電流流過線圈,拔插端子
將導致巨大的瞬間感生電動勢將燒壞驅動器。
5)嚴禁將導線頭加錫后接入接線端子,否則可能因接觸電阻變大而過熱損壞端子。
6)接線線頭不能裸露在端子外,以防意外短路而損壞驅動器。
7)嚴禁一臺驅動器帶多臺電機(通過繞組串聯方式),FD556采用高性能控制方式,電機參數必須具有真實性與可測性,多臺電機連接嚴重破壞電機參數真實性。運行效果變差。
五,電流,細分,及半流與參數學習設置。
FD556驅動器采用八位撥碼開關設定細分精度、動態電流、靜止半流以及實現電
機參數學習與PID整定。八位撥碼開關詳細描述如下:

1,電流設定

2,半流設定
半流可用 SW4 撥碼開關設定,off 表示電機靜止電流設為運行電流的一半,on 表示電機靜止
電流與運行電流相同。一般用途中應將 SW4 設成 off,使得電機和驅動器的發熱減少,可靠
性提高。脈沖串停止后約 1秒(此值由軟件可改)左右電流自動減至一半左右,根據公式W=I2Rt,I為繞組電流R為繞組電阻,當進入半流后 W=(0.5*I) 2Rt=0.25*I2Rt,發熱量理論上減少75%
3,細分設定

當 SW5、SW6、SW7、SW8都為 on 時,步進電機驅動器細分數由內部給定,內部給定值可通過RS232通信由上位軟件修改,最小為1,最大為65535,內部給定值出廠默認為:4細分,即200pulse/Rev;
4,參數自整定功能
若 SW8 在 1 秒之內往返撥動一次,驅動器便可自動完成電機參數學習和PID參數整定;在新接或更新電機、電源供電電壓條件發生變化時請重新學習參數,否則,電機可能運行效果不理想或甚至不正常運行。參數學習階段,脈沖輸入,及方向改變將無效。
由于拔碼開關比較小,對于手指比較粗的操作人員要在1秒鐘內拔動一次有時變得困難,因此,在設計驅動器軟件時采用最右端拔碼開關(SW8)作為學習觸發開關,方便右手操作(大部分人右手比較靈活),觸發參數學習推薦方法如下:如果SW8處于ON時將拔到OFF位置,然后用右手食指指甲碰在SW8開關上,然后輕輕晃動兩下,電動發出調諧聲音,調完后紅色LED將會亮一下,表示完成,如果未能觸發,則把晃動的力度稍大些,直至觸發成功。參數學習完成后,要恢復SW8之前的狀態。
本文相關產品:低壓兩相步進電機驅動器DM556A
- 上一篇:步進電機怎么接線?接線問題方法
- 下一篇:東么川57步進電機加減速的方式是什么?
產品推薦:兩相步進電機
產品推薦:無刷電機
產品推薦:兩相步進驅動器
產品推薦:直流無刷驅動器




























地址 ADDRESS